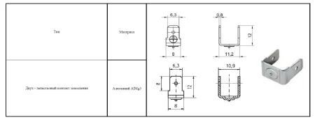
Двулепестковый алюминиевый контакт заземления для конденсаторной сварки
Введение
Двулепестковый алюминиевый контакт заземления – это специализированный крепёжный элемент, предназначенный для быстрого и надёжного соединения заземляющих проводников с металлическими конструкциями методом конденсаторной сварки. Благодаря своей конструкции и материалу, он обеспечивает отличную электропроводность и устойчивость к коррозии.
Особенности конструкции
• Два лепестка – обеспечивают большую площадь контакта и надёжное крепление провода.
• Алюминиевый сплав – обладает высокой электропроводностью и малым весом.
• Оптимизированная форма – позволяет легко фиксировать провод и обеспечивает прочное сварное соединение.
• Преимущества использования
• ✅ Высокая электропроводность – алюминий минимизирует сопротивление в цепи заземления.
✅ Лёгкость и прочность – алюминиевые контакты не утяжеляют конструкцию, но выдерживают механические нагрузки.
✅ Быстрый монтаж – конденсаторная сварка позволяет устанавливать контакт за секунды.
✅ Долговечность – устойчивость к окислению и коррозии.
✅ Надёжность соединения – сварной шов исключает ослабление контакта со временем.
Область применения
Двулепестковые алюминиевые контакты заземления используются в:
• Электроэнергетике – заземление опор ЛЭП, трансформаторных подстанций.
• Автомобильной промышленности – крепление заземляющих шин в электромобилях и технике.
• Строительстве – монтаж заземляющих систем в зданиях и металлоконструкциях.
• Железнодорожном транспорте – заземление рельсов и контактных сетей.
• Промышленном оборудовании – защитное заземление станков и электроустановок.
Технология монтажа методом конденсаторной сварки
1. Подготовка поверхности – зачистка места контакта от окислов и загрязнений.
2. Фиксация контакта – установка двулепесткового зажима на металлическую основу.
3. Сварка – подача кратковременного импульса тока, расплавляющего зону контакта.
4. Формирование соединения – после остывания образуется прочный неразъёмный шов.
Заключение
Двулепестковый алюминиевый контакт заземления – это современное решение для быстрого и долговечного монтажа заземляющих систем. Конденсаторная сварка обеспечивает высокую надёжность соединения, а алюминиевый сплав гарантирует отличную электропроводность.
Нужна консультация или хотите заказать партию? Оставьте заявку на нашем сайте, и наши специалисты помогут подобрать оптимальное решение для ваших задач!
Условия и способы оплаты
Оплата товара осуществляется только безналичным переводом денег согласно выставленному счету.
Мы с пониманием относимся, что купить дорогостоящее оборудование не всегда сразу возможно. Мы предлагаем нашим клиентам воспользоваться финансовым инструментом - Лизинг. Нашими партнерами по лизинговым компаниям являются “Дельта Лизинг”, “Балтийский лизинг” и другие, которые специализируются на оборудовании для металлообработки.
Мы предлагаем различные условия оплаты по согласованию сторон. Ниже указаны наши стандартные условия оплат, если оборудование поставляется под заказ.
50% - предоплата;
40% -по факту готовности к отгрузке со склада в г. Москве;
10% - после ввода оборудования в эксплуатацию..
Счета выставляются в рублях, Китайских Юанях, Долларах США или в Евро. Оплата счетов в Китайских Юанях, Долларах США или в Евро производится по курсу Евро ЦБ РФ.
Доставка
Доставка оборудования производится по всей территории России и стран СНГ. Обычно мы пользуемся услугами транспортной компанией “Деловые линии”, но вы можете подобрать транспортную компанию на свой выбор.
Самовывоз оборудования осуществляется по адресу Москва, Южнопортовая ул, 28 При получении товара необходимо иметь при себе доверенность или печать компании.
Время работы склада:
Пн-Пт: с 09:00 до 18:00;
Cб, Вс: выходные дни.
Нужна консультация?
Наши специалисты ответят на любой интересующий вопрос