Однолепестковый контакт заземления латунный для конденсаторной сварки
Введение
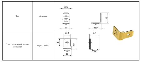
Однолепестковый латунный контакт заземления – это специализированный крепёжный элемент, предназначенный для быстрого и надёжного соединения заземляющих проводников с металлическими поверхностями методом конденсаторной сварки. Благодаря своей конструкции и материалу изготовления, он обеспечивает стабильный электрический контакт и высокую коррозионную стойкость.
Конструктивные особенности
• Материал: латунь (сплав меди и цинка) – обладает высокой электропроводностью и устойчивостью к окислению.
• Форма: один плоский лепесток с отверстием под болт или клемму для подключения заземляющего провода.
• Сварочная ножка: цилиндрическая или конусообразная часть, которая приваривается к металлической поверхности.
• Преимущества конструкции
• ✔ Простота монтажа – не требует сверления или резьбового крепления.
✔ Надёжный электрический контакт – латунь минимизирует переходное сопротивление.
✔ Коррозионная стойкость – устойчив к влаге и агрессивным средам.
✔ Механическая прочность – выдерживает вибрации и механические нагрузки.
Применение
Однолепестковые латунные контакты заземления используются в:
• Автомобильной промышленности – заземление кузовных элементов, электрооборудования.
• Электроэнергетике – монтаж заземляющих шин, соединение защитных проводников.
• Промышленном оборудовании – заземление станков, щитов управления, металлоконструкций.
• Бытовой технике и электронике – обеспечение электробезопасности.
Технология конденсаторной сварки
1. Подготовка поверхности – очистка от грязи, краски, окислов.
2. Позиционирование контакта – установка в сварочный пистолет и прижатие к металлу.
3. Сварочный импульс – кратковременный разряд тока оплавляет зону контакта.
4. Формирование соединения – после остывания образуется прочное неразъёмное соединение.
Преимущества конденсаторной сварки для заземления
• Высокая скорость – монтаж занимает доли секунды.
• Отсутствие дополнительного крепежа – не нужны болты, гайки или клеи.
• Долговечность – соединение не ослабевает со временем.
Заключение
Латунный однолепестковый контакт заземления – это оптимальное решение для создания надёжного и долговечного заземления в различных отраслях промышленности. Его использование в сочетании с конденсаторной сваркой обеспечивает высокую электропроводность, прочность и устойчивость к коррозии.
Нужна консультация или подбор контактов заземления?
Оставьте заявку на нашем сайте, и наши специалисты помогут вам выбрать оптимальное решение!
Условия и способы оплаты
Оплата товара осуществляется только безналичным переводом денег согласно выставленному счету.
Мы с пониманием относимся, что купить дорогостоящее оборудование не всегда сразу возможно. Мы предлагаем нашим клиентам воспользоваться финансовым инструментом - Лизинг. Нашими партнерами по лизинговым компаниям являются “Дельта Лизинг”, “Балтийский лизинг” и другие, которые специализируются на оборудовании для металлообработки.
Мы предлагаем различные условия оплаты по согласованию сторон. Ниже указаны наши стандартные условия оплат, если оборудование поставляется под заказ.
50% - предоплата;
40% -по факту готовности к отгрузке со склада в г. Москве;
10% - после ввода оборудования в эксплуатацию..
Счета выставляются в рублях, Китайских Юанях, Долларах США или в Евро. Оплата счетов в Китайских Юанях, Долларах США или в Евро производится по курсу Евро ЦБ РФ.
Доставка
Доставка оборудования производится по всей территории России и стран СНГ. Обычно мы пользуемся услугами транспортной компанией “Деловые линии”, но вы можете подобрать транспортную компанию на свой выбор.
Самовывоз оборудования осуществляется по адресу Москва, Южнопортовая ул, 28 При получении товара необходимо иметь при себе доверенность или печать компании.
Время работы склада:
Пн-Пт: с 09:00 до 18:00;
Cб, Вс: выходные дни.
Нужна консультация?
Наши специалисты ответят на любой интересующий вопрос