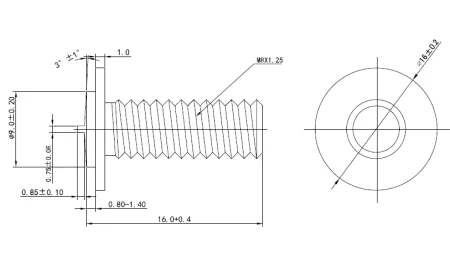
Описание:
Приварная шпилька из омедненной стали предназначена для конденсаторной сварки и обеспечивает надежное соединение с металлическими поверхностями. Благодаря увеличенному фланцу достигается повышенная прочность крепления и устойчивость к нагрузкам.
Особенности:
• Материал: Сталь с омедненным покрытием для улучшенной электропроводности и защиты от коррозии.
• Тип крепления: Конденсаторная сварка (контактная сварка).
• Конструкция: Увеличенный фланец для усиленной фиксации и распределения нагрузки.
• Применение: Используется в автомобилестроении, электротехнике, строительстве и других отраслях, где требуется прочное крепление к металлическим основаниям.
Преимущества:
✔ Высокая прочность соединения
✔ Устойчивость к механическим и вибрационным нагрузкам
✔ Антикоррозийное покрытие
✔ Быстрый и надежный монтаж
Сфера применения:
• Крепление электрооборудования
• Монтаж кузовных элементов в авторемонте
• Установка заземляющих контактов
• Соединение металлоконструкций
Условия и способы оплаты
Оплата товара осуществляется только безналичным переводом денег согласно выставленному счету.
Мы с пониманием относимся, что купить дорогостоящее оборудование не всегда сразу возможно. Мы предлагаем нашим клиентам воспользоваться финансовым инструментом - Лизинг. Нашими партнерами по лизинговым компаниям являются “Дельта Лизинг”, “Балтийский лизинг” и другие, которые специализируются на оборудовании для металлообработки.
Мы предлагаем различные условия оплаты по согласованию сторон. Ниже указаны наши стандартные условия оплат, если оборудование поставляется под заказ.
50% - предоплата;
40% -по факту готовности к отгрузке со склада в г. Москве;
10% - после ввода оборудования в эксплуатацию..
Счета выставляются в рублях, Китайских Юанях, Долларах США или в Евро. Оплата счетов в Китайских Юанях, Долларах США или в Евро производится по курсу Евро ЦБ РФ.
Доставка
Доставка оборудования производится по всей территории России и стран СНГ. Обычно мы пользуемся услугами транспортной компанией “Деловые линии”, но вы можете подобрать транспортную компанию на свой выбор.
Самовывоз оборудования осуществляется по адресу Москва, Южнопортовая ул, 28 При получении товара необходимо иметь при себе доверенность или печать компании.
Время работы склада:
Пн-Пт: с 09:00 до 18:00;
Cб, Вс: выходные дни.
Нужна консультация?
Наши специалисты ответят на любой интересующий вопрос