Крепежные элементы, использующие технологию поверхностного монтажа, брочирования для печатных плат.
Брочирующий крепеж также может служить практичной альтернативой традиционному "свободному" крепежу. Брочирующий крепеж представляет собой элемент с насеченной поверхностью, который запрессовывается в отверстие, создавая прочное постоянное резьбовое или гладкое крепление на печатных платах. Также может использоваться в алюминии, акриле, литьевых и поликарбонатных деталях.
Специальные осевые канавки на стержне крепежа "брошируют" (врезаются) в материал, создавая интерференционную посадку, устойчивую к проворачиванию. Для печатных плат рекомендуется использовать в не металлизированных отверстиях.
Основные характеристики:
1. Резьбовые брочирующие шпильки
o Обеспечивают резьбовые точки крепления.
o Могут использоваться как паяемые контакты для электрических соединений.
2. Технология поверхностного монтажа и брочирования
o Броширование: Насеченный стержень с осевыми канавками врезается в материал (плату, пластик, металл) при запрессовке, создавая прочное соединение, устойчивое к проворачиванию и вырыву.
o Развальцовка: Некоторые модели могут иметь развальцованную основу для дополнительной фиксации.
3. Совместимость с материалами
o Оптимально подходят для неметаллизированных отверстий в платах (для лучшего сцепления).
o Также применяются в алюминии, акриле, литых и поликарбонатных деталях.
Применение:
• Крепление компонентов на платах:
o Надежная фиксация разъемов, панелей и других элементов.
• Корпуса и панели:
o Установка в пластиковые/металлические корпуса
• Электромеханические сборки:
o Сочетает механическую фиксацию с электрическим контактом (при пайке).
Особенности монтажа:
• Запрессовываются в предварительно подготовленные отверстия (размер критичен для качественного броширования).
• Не рекомендуются для металлизированных отверстий – могут повредить гальваническое покрытие.
• Могут комбинироваться с пайкой для дополнительной фиксации и электропроводности.
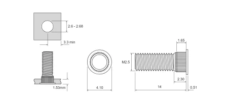
KFH Резьбовая шпилька для печатных плат
Материал: Фосфористая бронза CDA-510
Основные характеристики:
• Материал: CDA-510 (сплав фосфористой бронзы)
o Высокая электропроводность и коррозионная стойкость.
o Хорошая паяемость, подходит для электрических соединений.
o Прочность и износостойкость, обеспечивающие надежное крепление.
• Назначение:
o Используется в качестве резьбового крепежа или контактного элемента на печатных платах (PCB).
• Технология монтажа:
o Запрессовка в неметаллизированные отверстия плат (надежная механическая фиксация за счет насечки).
o Пайка (дополнительное крепление и обеспечение электрического контакта).
• Применение:
o Крепление разъемов, экранов, компонентов на платах.
o Создание резьбовых точек в пластиковых, алюминиевых и композитных корпусах.
Преимущества материала CDA-510:
✔ Высокая проводимость (подходит для сигнальных и силовых цепей).
✔ Устойчивость к окислению (долгий срок службы).
✔ Хорошая механическая прочность (выдерживает вибрации и нагрузки).
Условия и способы оплаты
Оплата товара осуществляется только безналичным переводом денег согласно выставленному счету.
Мы с пониманием относимся, что купить дорогостоящее оборудование не всегда сразу возможно. Мы предлагаем нашим клиентам воспользоваться финансовым инструментом - Лизинг. Нашими партнерами по лизинговым компаниям являются “Дельта Лизинг”, “Балтийский лизинг” и другие, которые специализируются на оборудовании для металлообработки.
Мы предлагаем различные условия оплаты по согласованию сторон. Ниже указаны наши стандартные условия оплат, если оборудование поставляется под заказ.
50% - предоплата;
40% -по факту готовности к отгрузке со склада в г. Москве;
10% - после ввода оборудования в эксплуатацию..
Счета выставляются в рублях, Китайских Юанях, Долларах США или в Евро. Оплата счетов в Китайских Юанях, Долларах США или в Евро производится по курсу Евро ЦБ РФ.
Доставка
Доставка оборудования производится по всей территории России и стран СНГ. Обычно мы пользуемся услугами транспортной компанией “Деловые линии”, но вы можете подобрать транспортную компанию на свой выбор.
Самовывоз оборудования осуществляется по адресу Москва, Южнопортовая ул, 28 При получении товара необходимо иметь при себе доверенность или печать компании.
Время работы склада:
Пн-Пт: с 09:00 до 18:00;
Cб, Вс: выходные дни.
Нужна консультация?
Наши специалисты ответят на любой интересующий вопрос