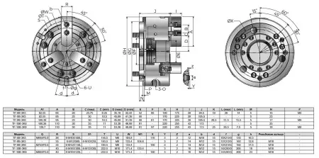
Гидравлические токарный патроны серии TF-6B-3K5 предназначены для высокоточной и надежной фиксации цилиндрических заготовок в процессе обработки. Изготовленные из высокопрочной легированной стали с закаленными компонентами, они обладают повышенной жесткостью, долговечностью и точностью, гарантируя качественную и точную обработку даже в самых требовательных условиях.
Особенности:
- Подходит для зажима цилиндрических заготовок в процессе токарной обработки;
- Конструкция с увеличенным сквозным отверстием позволяет эффективно использовать патроны в автоматизированных системах, что повышает производительность и сокращает время обработки;
- Корпус из нержавеющей стали обеспечивает долговечность и устойчивость к коррозии;
- Работая в паре с гидравлическим цилиндром, патроны обеспечивают стабильное и равномерное давление для надежного зажима заготовок;
Условия и способы оплаты
Оплата товара осуществляется только безналичным переводом денег согласно выставленному счету.
Мы с пониманием относимся, что купить дорогостоящее оборудование не всегда сразу возможно. Мы предлагаем нашим клиентам воспользоваться финансовым инструментом - Лизинг. Нашими партнерами по лизинговым компаниям являются “Дельта Лизинг”, “Балтийский лизинг” и другие, которые специализируются на оборудовании для металлообработки.
Мы предлагаем различные условия оплаты по согласованию сторон. Ниже указаны наши стандартные условия оплат, если оборудование поставляется под заказ.
50% - предоплата;
40% -по факту готовности к отгрузке со склада в г. Москве;
10% - после ввода оборудования в эксплуатацию..
Счета выставляются в рублях, Китайских Юанях, Долларах США или в Евро. Оплата счетов в Китайских Юанях, Долларах США или в Евро производится по курсу Евро ЦБ РФ.
Доставка
Доставка оборудования производится по всей территории России и стран СНГ. Обычно мы пользуемся услугами транспортной компанией “Деловые линии”, но вы можете подобрать транспортную компанию на свой выбор.
Самовывоз оборудования осуществляется по адресу Москва, Южнопортовая ул, 28 При получении товара необходимо иметь при себе доверенность или печать компании.
Время работы склада:
Пн-Пт: с 09:00 до 18:00;
Cб, Вс: выходные дни.
