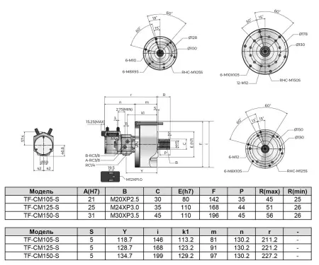
Гидравлические приводные цилиндры серии TF-CM105-S предназначены для обеспечения надежного закрепления заготовок в процессе обработки, с возможностью высокоскоростного вращения. Они разработаны для использования в автоматизированных производственных линиях и обеспечивают длительную и стабильную работу в различных условиях.
Особенности:
- Система датчиков: Возможность установки датчиков приближения для контроля длины хода цилиндра и обеспечения дополнительной безопасности;
- Система безопасности: Все цилиндры оснащены обратным клапаном и задним замком, которые повышают жесткость конструкции и снижают противодействующие силы;
- Компактный дизайн: Короткая конструкция уменьшает реактивный момент, снижает нагрузку на шпиндель и облегчает монтаж;
- Легкий вес: Изготовлен из высокопрочного алюминиевого сплава и легированной стали для уменьшения веса и повышения эффективности охлаждения;
- Двойное применение: Подходит для вертикальных и горизонтальных машин благодаря замкнутой системе масляного циркулирования;
- Долговечность: Высококачественные материалы с закалкой и точной шлифовкой обеспечивают прочность, жесткость и длительный срок службы.
Условия и способы оплаты
Оплата товара осуществляется только безналичным переводом денег согласно выставленному счету.
Мы с пониманием относимся, что купить дорогостоящее оборудование не всегда сразу возможно. Мы предлагаем нашим клиентам воспользоваться финансовым инструментом - Лизинг. Нашими партнерами по лизинговым компаниям являются “Дельта Лизинг”, “Балтийский лизинг” и другие, которые специализируются на оборудовании для металлообработки.
Мы предлагаем различные условия оплаты по согласованию сторон. Ниже указаны наши стандартные условия оплат, если оборудование поставляется под заказ.
50% - предоплата;
40% -по факту готовности к отгрузке со склада в г. Москве;
10% - после ввода оборудования в эксплуатацию..
Счета выставляются в рублях, Китайских Юанях, Долларах США или в Евро. Оплата счетов в Китайских Юанях, Долларах США или в Евро производится по курсу Евро ЦБ РФ.
Доставка
Доставка оборудования производится по всей территории России и стран СНГ. Обычно мы пользуемся услугами транспортной компанией “Деловые линии”, но вы можете подобрать транспортную компанию на свой выбор.
Самовывоз оборудования осуществляется по адресу Москва, Южнопортовая ул, 28 При получении товара необходимо иметь при себе доверенность или печать компании.
Время работы склада:
Пн-Пт: с 09:00 до 18:00;
Cб, Вс: выходные дни.
