Втулки под развальцовку с насечкой (Rivet Bush Standoff Serrated Face)
Описание
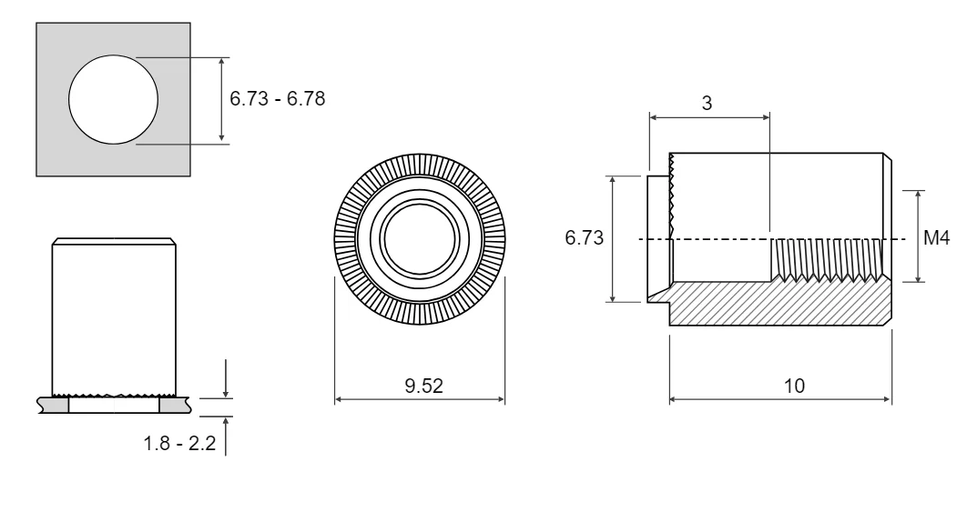
Втулки под развальцовку с насечкой – это крепёжные элементы, предназначенные для создания надёжных резьбовых соединений в тонколистовых материалах. Они обеспечивают прочную фиксацию за счёт развальцовки (расклёпки) и насечки на поверхности, предотвращающей проворачивание.
Идеально подходят для сборки электронных устройств, авиакосмической техники, медицинского оборудования и других применений, где требуется жёсткое резьбовое крепление без сварки или пайки.
Технические характеристики
✅ Тип крепления: развальцовка (расклёпка)
✅ Материал:
• Сталь оцинкованная
• Сталь нержавеющая
✅ Резьба: метрическая (M2–M12) или дюймовая (UNF, UNC)
✅ Насечка (serrated face): предотвращает проворачивание после установки
✅ Толщина листа: от 0,8 до 3,0 мм (зависит от модели)
________________________________________
Преимущества
Надёжная фиксация – насечка исключает проворачивание втулки после монтажа.
Прочность – выдерживает вибрации и механические нагрузки.
Быстрый монтаж – установка за счёт развальцовки (не требует сварки или пайки).
Универсальность – подходит для электроники, авиации, автомобилестроения.
________________________________________
Области применения
• Электроника и печатные платы – крепление компонентов в металлических корпусах.
• Авиакосмическая промышленность – лёгкие и прочные соединения.
• Автомобильная техника – монтаж датчиков, панелей, кожухов.
• Медицинское оборудование – стерильные и коррозионностойкие крепления.
• Промышленные шкафы и приборы – сборка корпусов и стоек.
Метод установки
1. Подготовка отверстия – диаметр должен соответствовать спецификации.
2. Установка втулки – вставляется в отверстие до упора.
3. Развальцовка (расклёпка) – выполняется специальным инструментом.
4. Проверка посадки – втулка должна быть зафиксирована без люфта.
Условия и способы оплаты
Оплата товара осуществляется только безналичным переводом денег согласно выставленному счету.
Мы с пониманием относимся, что купить дорогостоящее оборудование не всегда сразу возможно. Мы предлагаем нашим клиентам воспользоваться финансовым инструментом - Лизинг. Нашими партнерами по лизинговым компаниям являются “Дельта Лизинг”, “Балтийский лизинг” и другие, которые специализируются на оборудовании для металлообработки.
Мы предлагаем различные условия оплаты по согласованию сторон. Ниже указаны наши стандартные условия оплат, если оборудование поставляется под заказ.
50% - предоплата;
40% -по факту готовности к отгрузке со склада в г. Москве;
10% - после ввода оборудования в эксплуатацию..
Счета выставляются в рублях, Китайских Юанях, Долларах США или в Евро. Оплата счетов в Китайских Юанях, Долларах США или в Евро производится по курсу Евро ЦБ РФ.
Доставка
Доставка оборудования производится по всей территории России и стран СНГ. Обычно мы пользуемся услугами транспортной компанией “Деловые линии”, но вы можете подобрать транспортную компанию на свой выбор.
Самовывоз оборудования осуществляется по адресу Москва, Южнопортовая ул, 28 При получении товара необходимо иметь при себе доверенность или печать компании.
Время работы склада:
Пн-Пт: с 09:00 до 18:00;
Cб, Вс: выходные дни.
Нужна консультация?
Наши специалисты ответят на любой интересующий вопрос