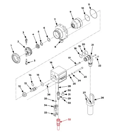
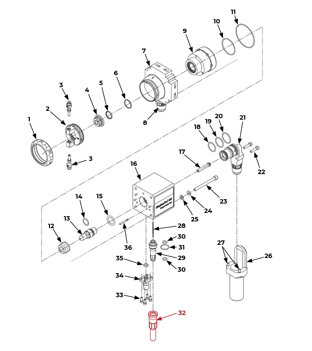
IRS-303037 Изолятор системы поджига совместим с моделью плазмотрона SinplexPro-90, на взрыв-схеме плазмотрона отображается позицией 32
| Номер на схеме | Артикул | Наименование | Артикул по METCO | |
|---|---|---|---|---|
| 1 | IRS-303001 | Гайка сопла | Nozzle Nut | 1060231 |
| 2 | IRS-303002 | Держатель инжектора двухместный короткий | Short Injector Ring | 1080091 |
| 2 | IRS-303003 | Держатель инжектора двухместный длинный | Long Injector Ring | 1079906 |
| 3 | IRS-303004 | Инжектор порошка 1,8 мм | Powder Injector 1.8 | 1003436 |
| 3 | IRS-303005 | Инжектор порошка 2,0 мм | Powder Injector 2.0 | 1003439 |
| 3 | IRS-303006 | Инжектор порошка 1,5 мм | Powder Injector 1.5 | 103434 |
| 4 | IRS-303007 | Сопло Sinplex, 9 мм | Nozzle Assembly, 9 mm (includes items 5 & 6) | 1082606 |
| 4 | IRS-303008 | Сопло Sinplex, 6,5 мм | Nozzle Assembly, 6.5 mm (includes items 5 & 6) | 1082605 |
| 4 | IRS-303009 | Сопло Sinplex, 8 мм | Nozzle Assembly, 8 mm (includes items 5 & 6) | 1302081 |
| 5 | IRS-303010 | Кольцо изолирующее | Insulator Ring | 1081770 |
| 6 | IRS-303011 | Кольцо уплотнительное | O-ring, (Quad Ring) 0.801 X 0.070 | 1061036 |
| 7 | IRS-303012 | Корпус пистолета передний | Front Gun Body Assembly (includes item 8) | 1079905 |
| 8 | IRS-303013 | Порт (NOZ+) водоохлаждаемого кабеля | Water (NOZ +) Hose Fitting | 1000103 |
| 9 | IRS-303014 | Нейтрод в сборе | Neutrode Stack Assembly | 1079904 |
| 10 | IRS-303015 | Кольцо уплотнительное | O-ring, 1.614 x 0.070 Black Viton | 1059685 |
| 11 | IRS-303016 | Кольцо уплотнительное | O-ring, 2.364 x 0.070 Viton | 1000366 |
| 12 | IRS-303017 | Изолятор электрода | Electrode Insulator | 1079909 |
| 13 | IRS-303018 | Электрод | Electrode | 1079897 |
| 14 | IRS-303019 | Кольцо уплотнительное | O-Ring, Black Viton 0.614 x 0.07 in. (pkg. of 6) | 1001462 |
| 15 | IRS-303020 | Кольцо уплотнительное | O-Ring, Buna 0.734 x 0.139 in. | 1017527 |
| 16 | IRS-303021 | Корпус пистолета задний | Rear Gun Body | 1079907 |
| 17 | IRS-303022 | Трубка охлаждения водяная | Cooling Water Tube | 1003423 |
| 18 | IRS-303023 | Кольцо уплотнительное | O-Ring, Black Viton 0.864 x 0.07 in. | 1015536 |
| 19 | IRS-303024 | Кольцо уплотнительное | O-Ring, Buna 0.926 x 0.07 in. (pkg. of 3) | 1001624 |
| 20 | IRS-303025 | Кольцо уплотнительное | O-Ring, Black Viton 0.989 x 0.07 in. (pkg. of 2) | 1000225 |
| 21 | IRS-303026 | Держатель электрода | Electrode Holder | 1079908 |
| 22 | IRS-303027 | Винт (2 шт.) | Screw, M5 x 20 mm (2 pcs.) | 1089684 |
| 23 | IRS-303028 | Винт (4 шт.) | Screw, M6 x 70mm (4 pcs.) | 1059687 |
| 24 | IRS-303029 | Шайба (4 шт.) | Lock Washer, M6 (4 pcs.) | 1089683 |
| 25 | IRS-303030 | Шайба (4 шт.) | Flat Washer, M6 (4 pcs.) | 1089682 |
| 26 | IRS-303031 | Изолятор кабеля | Hose Cover (includes item 27) | 1081771 |
| 27 | IRS-303032 | Винт (2 шт.) | Captive Screw (2 pcs.) | 1081772 |
| 28 | IRS-303033 | Пружина зажигания | Ignition Spring | 1079913 |
| 29 | IRS-303034 | Порт системы поджига | Ignition Fitting (includes items 30 & 31) | 1079911 |
| 30 | IRS-303035 | Кольцо уплотнительное | O-Ring, Black Viton 0.301 x 0.07 in. (2 pcs.) | 1015535 |
| 31 | IRS-303036 | Кольцо уплотнительное | O-Ring, Black Viton 0.676 x 0.07 in. (pkg. of 4) | 1000143 |
| 32 | IRS-303037 | Изолятор системы поджига | Ignition Insulator | 1081773 |
| 33 | IRS-303038 | Винт (4 шт.) | Screw, M4 x 10 (4 pcs.) | 1003513 |
| 34 | IRS-303039 | Порт плазмообразующего газа | Plasma Gas Fitting | 1079910 |
| 35 | IRS-303040 | Кольцо уплотнительное | O-Ring, Black Viton, 0.344 x 0.07 in. (pkg. of 4) | 1002073 |
| 36 | IRS-303041 | Штифт зажигания | Ignition Pin | 1079912 |
Условия и способы оплаты
Оплата товара осуществляется только безналичным переводом денег согласно выставленному счету.
Мы с пониманием относимся, что купить дорогостоящее оборудование не всегда сразу возможно. Мы предлагаем нашим клиентам воспользоваться финансовым инструментом - Лизинг. Нашими партнерами по лизинговым компаниям являются “Дельта Лизинг”, “Балтийский лизинг” и другие, которые специализируются на оборудовании для металлообработки.
Мы предлагаем различные условия оплаты по согласованию сторон. Ниже указаны наши стандартные условия оплат, если оборудование поставляется под заказ.
50% - предоплата;
40% -по факту готовности к отгрузке со склада в г. Москве;
10% - после ввода оборудования в эксплуатацию..
Счета выставляются в рублях, Китайских Юанях, Долларах США или в Евро. Оплата счетов в Китайских Юанях, Долларах США или в Евро производится по курсу Евро ЦБ РФ.
Доставка
Доставка оборудования производится по всей территории России и стран СНГ. Обычно мы пользуемся услугами транспортной компанией “Деловые линии”, но вы можете подобрать транспортную компанию на свой выбор.
Самовывоз оборудования осуществляется по адресу Москва, Южнопортовая ул, 28 При получении товара необходимо иметь при себе доверенность или печать компании.
Время работы склада:
Пн-Пт: с 09:00 до 18:00;
Cб, Вс: выходные дни.
